logo
  • 产品
  • 关于我们
  • 客户服务
  • 服务定制
  • 信息 & 活动
  • 联系我们

☎ 025-86168180

ZXD-BBJ 防爆声光报警器
ZXD-BBJ 防爆声光报警器

ZXD-BBJ 防爆声光报警器

ZXD-BBJ防爆声光报警器专为易燃易爆环境设计
  • 型号

    ZXD-BBJ

  • 功率

    8W

  • 防护等级

    IP66

  • 发光模式

    LED爆闪

  • 音量

    110dB

  • 防爆等级

    EXDLCT6GB

※ 包括尺寸在内的详细内容请参考技术资料

(PDF Viewer, PDF Download, Auto-CAD)

  • 产品特征
  • 规格参数
  • 产品尺寸
  • 相关产品

产品特征

产品特征
  • 主要适用于爆炸性气体环境中1区、2区危险区域,为IB、IC类、T6组及以下的爆炸危险场所;
  • 集高亮警示灯与高分贝警报于一体,适用于石油、化工、煤矿、电力等危险场所,确保紧急情况下的快速警示与安全防护;
  • 产品采用金属外壳,防护等级IP66,抗冲击、防腐蚀,适应恶劣工况。

规格参数

型号
ZXD-BBJ
功率
8W
发光模式
LED爆闪
防爆等级
EXDLCT6GB
音量
110dB
防护等级
P66
灯罩材料
钢化玻璃
机壳材料
压铸铝壳
螺纹规格:
1/2NPT螺纹
安装方式
底部安装
灯光颜色
装红/黄/蓝/绿(可选)
电压
DC12V/24V/36V/48V AC36V/48V/110V/220V/380V
控制方式
通电报警/开关量信号控制报警/RS485通讯协议控制报警/微波感应/音频功能
多重防护
加厚铸铝外壳、钢化玻璃罩、钢制网罩+防水密封圈

  • 产品特征
  • 规格参数
  • 产品尺寸
  • 相关产品

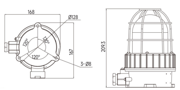
产品尺寸

  • 产品特征
  • 规格参数
  • 产品尺寸
  • 相关产品
联系我们